
Q646F气动四通球阀
气动四通球阀 产品概述
本公司生产的气动四通球阀采用角行程气动执行器及四通球阀组成,可配以阀门定位器输入控制信号(4-20mADC或1-5VDC)气源即可控制运转。亦可配行程限位开关、电磁阀、三联件及0.4-0.7MPa气源可实现开关操作,并送出二对无源触点信号指示阀门的开关。气动四通球阀在石油、天然气、煤炭和矿石的开采、提炼加工和管道输送系统中;在化工产品、医药和食品生产种;在水电、火电和核电的电力生产系统中;在城市和工业企业的给排水、供热、和供气系统中;在农田的排灌系统中;在治金生产系统中得以广泛的应用,是一种与生产建设、国防建设和人民生活息息相关的重要机械产品。气动四通球阀密闭在各类管路系统种用于截断或接通介质流,使介质按照预定的程序输送到各个指定点。
气动四通球阀 主要特点
1、阀杆采用A182F(1Cr13)整体锻造并调制处理,硬度达到HB220~250。阀杆通过平键或花键或方契与手柄连接,通用性强,拆装方便。阀杆设有防吹出结构。
2、阀门的填料选用编结、柔性石墨密封圈或四氟烯密封圈,使得阀杆在一定的润滑情况下实现可靠的密封。
3、根据需要,球阀可设计成防静电结构,在球体与阀杆、阀杆与阀体之间设置导电弹簧,避免静电打火点燃易燃物质,确保系统安全。
4、密封副形式多样。根据不同工况可选用软密封、硬密封、防火阀座等结构;DN150以下为浮球形式,DN200以下为固定球形式。
5、气动四通球阀阀座处可设置辅助密封结构,在阀座和阀杆部位加装注脂阀,紧急情况下可暂时密封,并可根据需要加长阀杆以适宜埋地铺设得场所。
气动四通球阀 主要技术参数
阀体及内件
| 阀体形式 | 四通铸造阀体 |
| 公称通径 | DN50~600mm |
| 公称压力 | PN1.6、2.5、4.0 MPa;ANSI 150、300LB ;JIS 10、20、30K |
| 法兰标准 | JB/T79.2-1994、 ASME/ANSI B165 |
| 连接形式 | 法兰式 |
| 压盖型式 | 压盖压紧式 |
| 密封填料 | V型聚四氟乙烯填料、柔性石墨填料等 |
| 设计和制造 | GB/T12237-1989; APl608 |
| 检验和试验 | GB/T13927-1992; APl 598 |
执行机构
| 执行器型号 | GT、SR、ST、AT、AW系列单双作用气动执行器 |
| 供气压力 | 0.4~0.7MPa |
| 气源接口 | G1/4"、G1/8"、G3/8"、G1/2" |
| 环境温度 | -20~+90℃ |
| 作用形式 |
单作用执行机构:气关式(B)--失气时阀位开(FO);气开式(K)--失气时阀位关(FC) 双作用执行机构:气关式(B)--失气时阀位保持(FL);气开式(K)-- 失气时阀位保持(FL) |
| 可配附件 | 定位器、电磁阀、空气过滤减压器、保位阀、行程开关、阀位传送器、手轮机构等 |
气动四通球阀 流向原理图
如图:“LL'’型四通球阀只需操作板手或执行器将球体转动90°,同时对两种介质的流向进行切换,即方便而迅速,实现一阀多用的效果。
|
|
|
“LL”型介质切换图
|
|
气动四通球阀 主要零件材料
| 阀体/阀盖 | GB | WCB | ZGlCrl8Ni9Ti | ZGOCfl8Nil2M02Ti | |||
| ASTM | WCB | CF8 | CF8M | ||||
| 球体 | GB | 2Crl3 | 1Cfl8Ni9Ti | 0Cfl8Ni12M02Ti | |||
| ASTM | 420 | 304 | 316 | ||||
| 阀杆 | GB | 2Crl3 | 1Crl8Ni9Ti | 0Crl8Ni12M02Ti | |||
| ASTM | 420 | 304 | 316 | ||||
| 阀座 | GB | 聚四氟乙烯 | 对位聚苯 | 聚四氟乙烯 | 对位聚苯 | 聚四氟乙烯 | 对位聚苯 |
| ASTM | 聚四氟乙烯 | 对位聚苯 | 聚四氟乙烯 | 对位聚苯 | 聚四氟乙烯 | 对位聚苯 | |
| 填料 | GB | 聚四氟乙烯 | 柔性石墨 | 聚四氟乙烯 | 柔性石墨 | 聚四氟乙烯 | 柔性石墨 |
| ASTM | 聚四氟乙烯 | 柔性石墨 | 聚四氟乙烯 | 柔性石墨 | 聚四氟乙烯 | 柔性石墨 | |
| 螺栓 | GB | 35 | 0Crl8Ni9 | 0Crl8Ni9 | |||
| ASTM | A193B7 | A320-B8 | A320-B8 | ||||
| 螺母 | GB | 45 | 0Cfl8Ni9 | 0Crl8Ni9 | |||
| ASTM | A1942H | A194-8 | A194-8 | ||||
气动四通球阀 主要性能指标
| 公称通径 DN(mm) | 50 | 65 | 80 | 100 | 125 | 150 | 200 | 250 | 300 | 350 | 400 | 450 | 500 | 600 |
| 允许压差(MPa) | ≤ 公称压力 | |||||||||||||
| 动作范围 | 0~90° | |||||||||||||
| 泄露量Q | 软密封VI级、硬密封IV级、符合ANSI B16.104标准 | |||||||||||||
| 基本误差 | 带定位器:小于全行程的±2% | |||||||||||||
| 回差 | 带定位器:小于全行程的2% | |||||||||||||
气动四通球阀 主要性能规范
| 试验压力(MPa) | 公称压力(MPa) | 压力级(class) | JIS(K) | |||||||
| 1.6 | 2.5 | 4.0 | 6.4 | 10.0 | 150 | 300 | 600 | 10K | 20K | |
| 强度试验 | 2.4 | 3.75 | 6.0 | 9.6 | 15.0 | 3.0 | 7.5 | 16.5 | 2.4 | 3.8 |
| 密封试验 | 1.76 | 2.75 | 4.4 | 7.04 | 11.0 | 2.2 | 5.5 | 12.1 | 1.5 | 2.8 |
| 气密试验 | 0.4~0.7MPa | |||||||||
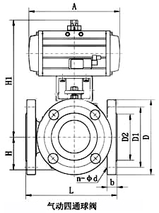
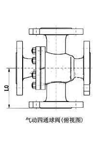
气动四通球阀 主要外形及连接尺寸
|
|
|
| 公称压力PN | 公称通径DN | 尺 寸(mm) | ||||||||
| L | L0 | D | D1 | D2 | b | z-φd | H1 | A | ||
| 1.6MPa | 50 | 260 | 130 | 165 | 125 | 100 | 16 | 4-ф18 |
根据配置执行机构 大小而定,配置执 行器型号不一样, 外形连接尺寸也有 所不同。 |
|
| 65 | 320 | 160 | 185 | 145 | 120 | 18 | 4-ф18 | |||
| 80 | 320 | 160 | 200 | 160 | 135 | 20 | 8-ф18 | |||
| 100 | 370 | 185 | 220 | 180 | 155 | 20 | 8-ф18 | |||
| 125 | 510 | 255 | 250 | 210 | 185 | 22 | 8-ф18 | |||
| 150 | 510 | 255 | 285 | 240 | 2'0 | 24 | 8-ф23 | |||
| 200 | 580 | 290 | 340 | 295 | 265 | 26 | 12-ф23 | |||
| 250 | 670 | 335 | 405 | 355 | 320 | 30 | 12-ф25 | |||
| 300 | 760 | 380 | 460 | 410 | 375 | 30 | 12-ф25 | |||
| 350 | 850 | 425 | 520 | 470 | 435 | 34 | 16-ф25 | |||
| 400 | 980 | 490 | 580 | 525 | 485 | 36 | 16-ф30 | |||
| 450 | 1080 | 540 | 640 | 585 | 545 | 40 | 20-ф30 | |||
| 500 | 1220 | 610 | 715 | 650 | 608 | 44 | 20-ф34 | |||
| 600 | 1360 | 680 | 840 | 770 | 718 | 48 | 20-ф41 | |||
注:以上参数均以国标PN1.6MPa为准,其他压力等级请咨询公司技术部,表中尺寸为不带标准附件数据,另由于产品改进技术创新参数可能有一定变化,请咨询公司技术部门索取最新数据。







